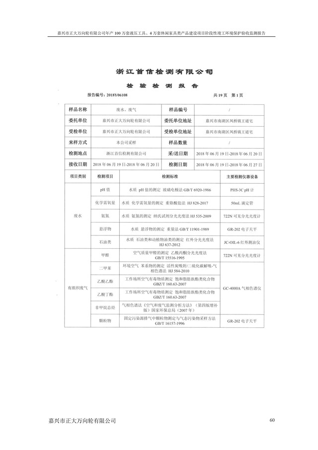
環境保護驗收監測報告















































































相關資訊
推薦方案
最新方案
同類文章排行
- 環境保護竣工驗收的公示
- 環境保護驗收監測報告
- 【派藝諾】整體木作 | 2018上海建博會完美落幕
- 「浩冠家具」古典雅致的整木定制新中式護墻板!
- 「浩冠家具」凸顯氣質與品位的整木定制家具!
- 「浩冠家具」整木定制白色家具的清潔方法有那些?
- 「浩冠家具」整木定制家具,對生活形態和品質的選擇
- 「浩冠家具」文雅簡單卻又富含內涵的整木定制新中式
- 「浩冠家具」含蓄與雅致的整木定制新中式!
- 「浩冠家具」整木定制家具前這些知識您了解了嗎?
最新資訊文章
您的瀏覽歷史














